1、香蕉一区二区在线观看仪、设备选型清单
根据用户的实际需求,对水质大肠杆菌在线香蕉一区二区在线观看系统进行如下配置选型:
| 香蕉一区二区在线观看仪名称 | 型号/规格 | 生产厂家 |
| 大肠杆菌在线分析仪 | WECT900 | 杭州91视频香蕉官网科技有限公司 |
| 水样预处理单元 | SAM-2000 | 杭州91视频香蕉官网科技有限公司 |
| 低温冷藏箱 | LC-200 | 杭州91视频香蕉官网科技有限公司 |
2、香蕉一区二区在线观看仪功能简介、性能参数及标准规范
2.1系统简介
在线大肠杆菌(菌群)分析仪采用国际标准的方法,酶与细菌培养反应后光信号变化成正比这一原理,反映出样品中细菌总量或大肠菌群的多少。系统广泛用于饮用水水源安全、应急评估及多细菌的测定,能对水污染事件进行预警,同时可预警一般性水体污染事件以及食物中毒事件。
2.2大肠杆菌在线分析仪的特点
1、操作简单,集成报表生成,实时反应全过程香蕉一区二区在线观看,并动态显示测试项目的反应曲线
2、检测灵活,测量周期短,响应速度快,检测过程可自由设定,可由用户定制测量周期,最短检测时间5分钟
3、自动进行质控和校准,保证测试结果的一致性和可靠性
4、全自动控制,用户可编程检测参数,适应不同应用场合对可疑样本自动启动循环检测模式,同时启动控制中心警报机器断电后重新来电时,自动恢复工作状态
5、运行可靠,使用和维护成本低,自动完成样本和试剂的分注、混匀和清洗,避免交叉污染维护简便,运行成本低,试剂消耗量小,每周维护一次,只需要更换试剂,一次性耗材成本低
2.3大肠杆菌在线分析仪的技术参数
| 测量方法 | 酶底物法 |
| 检测参数 | 总大肠菌群或耐热大肠杆菌(菌群) |
| 测量范围 | 测量范围: 1个/100ml—1×109个/ 100 ml |
| 重复性 | 5% |
| 分辨率 | 1% |
| 测量时间 | 小于12小时 |
| 清洗维护 | 测量前后自动进行清洗消毒 |
| 测量间隔 | 连续或者任意选择,可设置 |
| 校准周期 | 三个月 |
| 人机操作 | 超大屏幕彩色液晶触摸屏 |
| 数据存储 | 1年以上 |
| 输出 | RS232,RS485,4-20mA, |
| 正常工作条件 |
环境温度:0~40℃ 电源要求:220V AC±10%,50Hz±5% 功率:不大于200W 外界环境:无显著震动及电磁干扰,避免阳光直射 |
| 尺寸 | 500mm×1650mm×310mm(W×H×D) |
3、香蕉一区二区在线观看仪安装环境要求
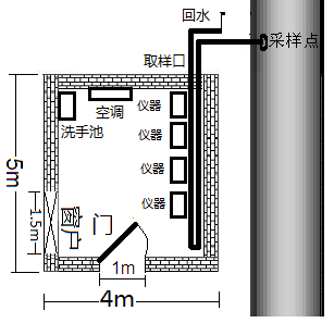
3.1站房的选址
站房选址应遵循距离排放口取样点的就近原则,建议站房与排放口取样点的直线距离不超过20m。也可以将站房直接选在排污管的上方,这样可极大的节省空间,同时将取样点与香蕉一区二区在线观看房的距离降到最短。

分析仪安装平面图
3.2管道铺设
在站房与取样点之间无任何障碍或站房与取样点之间铺设的地面管道在与企业协商后确定不会对企业正常生产条件和环境造成影响的情况下,可将取样管和增加了套管保护的线缆直接铺设在地面上,一般距离地面10cm左右的高度。

地下取样管铺设图
管道铺设还必须确保水样的取样点与香蕉一区二区在线观看仪器的水样进口之间的落差不小于0.5米,目的是确保水样在检测完后能完全回流到源水处,进一步减少取样管道结冰的可能性。
3.3香蕉一区二区在线观看房要求
香蕉一区二区在线观看房应采用具有保温及低能耗功能的材料建成。香蕉一区二区在线观看房在建成后会提供供电系统,供电电压为AC220V,50Hz,电源容量不小于5kVA。电压稳定性达不到香蕉一区二区在线观看仪要求时,还会配置稳压电源;站房内的在线香蕉一区二区在线观看系统和电气系统采用单独接地方式,接地电阻不大于1Ω;香蕉一区二区在线观看站房内会安装暖气和空调,以保证室内环境温度、相对湿度等应符合工业自动化仪表工作条件的要求,其中空调设备能在停电恢复后自动启动;站房内采用节能灯照明。
具体要求如下:
(1) 室内屋顶、楼板等施工完毕,不得有渗漏。
(2) 室内地面基层施工完毕,并已经完成了给水排水的施工工程。
(3) 在线仪表安装地点的基层达到允许的安装强度,无机械振动。
(4) 门窗已经安装完毕,仪器安装施工的所用道路通畅。
(5) 仪器前面板机箱开门处,应保留1M以上的维护保养的操作空间。
(6) 室内靠排水口一侧墙底部开一个ф100预留孔供管路走线。

电气部分要求:
(1) 仪器应提供单独供电的交流电源,单相4匹漏电保护开关的配电盘
(2) 交流供电的电源应平稳可靠,供电电压AC90~264V;频率:50HZ±1%;容量:5KVA。
(3) 电源至在线仪表的供电方式采用单相3线方式,必须提供火线(L)、零线(N)、保护接地线(PE)且必须接地良好。


配备的空调须保证香蕉一区二区在线观看房的环境温度始终不高于25℃。

香蕉一区二区在线观看房应配备冰箱,用于保存仪器所需的生物制剂。
4、香蕉一区二区在线观看仪安装

安装示意图
4.1仪器安装准备
仪器出厂标配:
(1)分析仪主机一台
(2)预处理设备一台。
(3)试剂冷藏箱一台
(4)试剂桶若干。
用户准备:
(1)水泵一台,220V,0.5kW,吸程3米或扬程6米,具体情况可视现场而定。
(2)泵电源线长度为取样点至仪器内部距离。
(3)仪器电源线长度为配电盘至仪器内部距离。
(4)进样管长度为取样点至仪器距离。
(5)电源线护套管(ф20PVC)长度为污水泵至仪器距离。
(6)电源线护套管(ф20PVC)长度为配电盘至仪器距离。
(7)进样护套管(ф32PVC)长度为取样点至仪器距离。
(8)溢流管(ф20PVC)长度为仪器至漏或排水口距离。
(9)出水管(ф20PVC)长度为仪器至地漏或排水口距离。
(10)上述管道延长所需的直通(ф20PVC)若干个。
(11)上述管道拐弯所需的弯头(ф20PVC)若干个。
(12)上述管道垂直连接所需的三通(ф20PVC)若干个。
(13)上述管道连接过程中所需的PVC胶水一盒。
(14)纯净水20升。
(15)化学试剂配置过程中所需的98%分析纯硫酸至少两瓶、无水乙醇一瓶。
(16)化学试剂配置过程中所需的量筒、容量瓶、烧杯、移液管若干。
4.2仪器安装

分析仪安装管路图
安装说明
l 应视现场情况决定预处理单元采用室内还是室外安装方式。
l 预处理单元与主机的连接距离不能超过 3米。
l 依据安装规范进行仪器的安装。
l 仪器安装完成后,记录相关信息,根据使用说明书调试仪器。
l 仪器可立式安装,亦可挂墙安装。具体安装方式由工程技术人员视现场情况,做相应选择。
4.3数据传输
仪器提供数字、模拟等多种数据传输接口,包括4-20mA和RS232接口,通过上述接口可方便的将香蕉一区二区在线观看仪测量出的结果实时传输到用户的中控中心或上级主管部门。
5、售前、售后服务
5.1供货计划
所有上述设备在中标后且与用户确定好安装条件均可保证在一个星期内到货。
5.2安装调试
在与用户确定好安装条件后两个星期内完成设备安装与调试。
5.3培训计划
在安装调试完毕后,对业主进行现场技术培训,其培训内容以设备的使用手册为主,包括了如何使用,如何维护。
5.4备件清单
| 备件名称 | 型号/规格 | 单位 | 数量 | 生产厂家 |
| 进样管 | 2X3 | 米 | 2 | 杭州91视频香蕉官网科技有限公司 |
| 管接头 | SM6 | 个 | 2 | 杭州91视频香蕉官网科技有限公司 |
| 过滤网 | 20目 | 个 | 2 | 杭州91视频香蕉官网科技有限公司 |
| 定量管 | MD-DL | 个 | 2 | 杭州91视频香蕉官网科技有限公司 |
| 硅胶管 | Φ6 | 米 | 2 | 杭州91视频香蕉官网科技有限公司 |
| 工具 | 套 | 1 | 杭州91视频香蕉官网科技有限公司 |
